Модуль ЖК-экрана для кухонных электронных весов
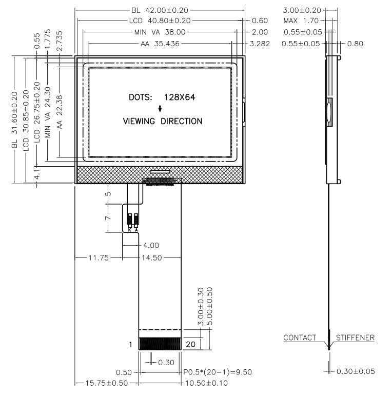
Модуль ЖК-экрана представляет собой ЖК-дисплей стандартного размера 128x64 точек для ручных инструментов; размер которого составляет 42,0x31,60мм, а область просмотра составляет 38,0x24,30 мм; Материал DFSTN с контроллером ST7567.
- Внедрение продукции
информация о продукте
Модуль ЖК-экрана представляет собой ЖК-дисплей стандартного размера 128x64 точек для ручных инструментов; размер которого составляет 42,0x31,60мм, а область просмотра составляет 38,0x24,30 мм; Материал DFSTN с контроллером ST7567. У нас есть три фона для этого ЖК-дисплея: синий, черный и серый, и мы можем настроить его в соответствии с вашими требованиями, включая размер.
Технические характеристики



Процесс пользовательского ЖК-дисплея
Разработка чертежа ЖК-дисплея: наш инженер разработает чертеж ЖК-дисплея в соответствии с требованиями клиентов, это займет около 1-3 дней.
Подтвердите чертеж ЖК-дисплея: когда мы закончим чертеж, мы отправим его клиенту для подтверждения.
Производство оснастки и образцов: когда заказчик подтвердит, что чертеж в порядке, мы начнем производство оснастки и образцов, это займет от 15 до 30 дней. (зависит от типа ЖК-дисплея)
Массовое производство: когда мы закончим производство образцов, мы отправим клиенту 5 бесплатных образцов для тестирования; и если образцы в порядке, мы начинаем массовое производство, это займет около 30-40 дней.

горячая этикетка : Модуль ЖК-экрана для кухонных электронных весов, Китай, поставщики, фабрика, индивидуальные, предложение, купить со скидкой, бесплатный образец, сделано в Китае











